Voltmeter measurement

Terminal view

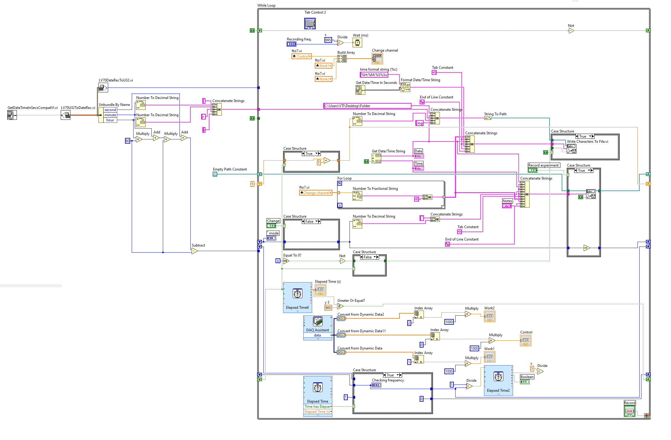
Block diagram