Ball-screw controlled linear run tests

Terminal view

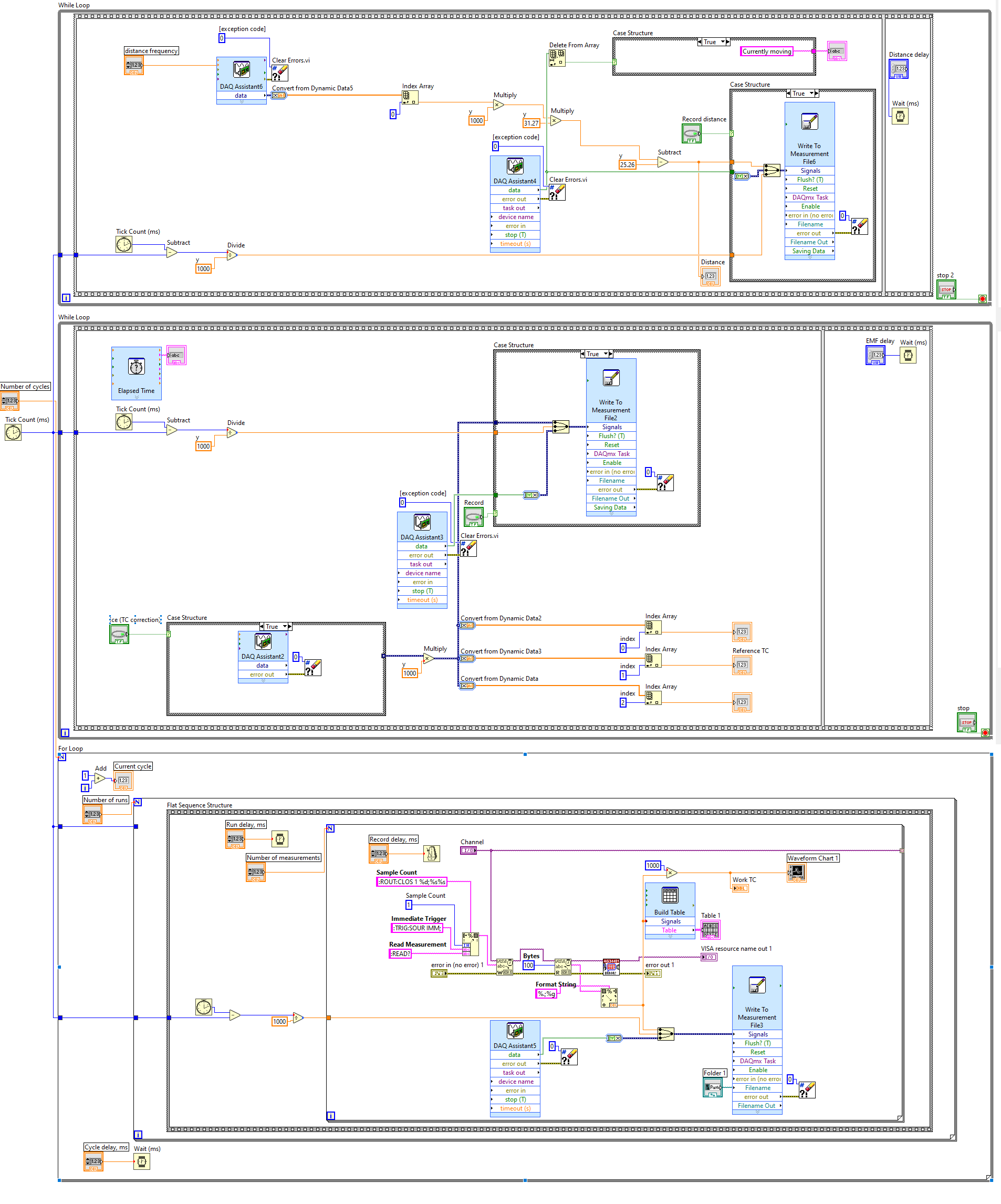
Block diagram